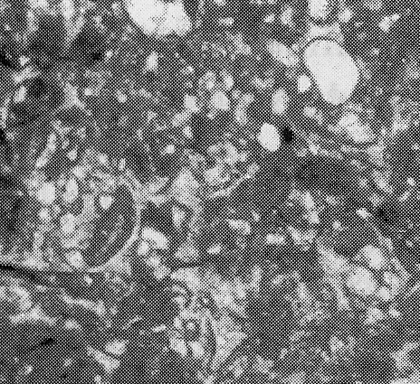
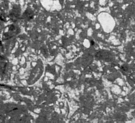
Ejemplo de la eliminación de la trama en imágenes digitalizadas de fotografías impresas.

Al digitalizar con cierta resolución, fotografías impresas en libros, revistas y periódicos, aparece la trama de impresión a modo de ruido de fondo de la imagen. La trama de impresión es ruido periódico y direccional, que puede eliminarse mediante un filtro de frecuencias en el espacio transformado de Fourier. Sin embargo, técnicas de máscaras borrosas ("unsharp masking"), utilizando filtros de tipo gausiano y laplaciano lograr eliminar el efecto de la trama por difusión de los bordes y reconstruir el enfoque.

Imagen resultado de digitalizar una fotografía impresa. Microfotografía de caliza con bioclastos.

Resultado de la eliminación de la trama mediante el uso de un filtro gausiano (máscara borrosa) y posterior aplicación de un operador laplaciano para el resalte de bordes y mejora del efecto de enfoque.

Volver a la página anterior

Volver a Mejora de imagen